

| 參數號碼 | 參數名稱 | 出廠值 [代碼] | 設定值 [代碼] |
|
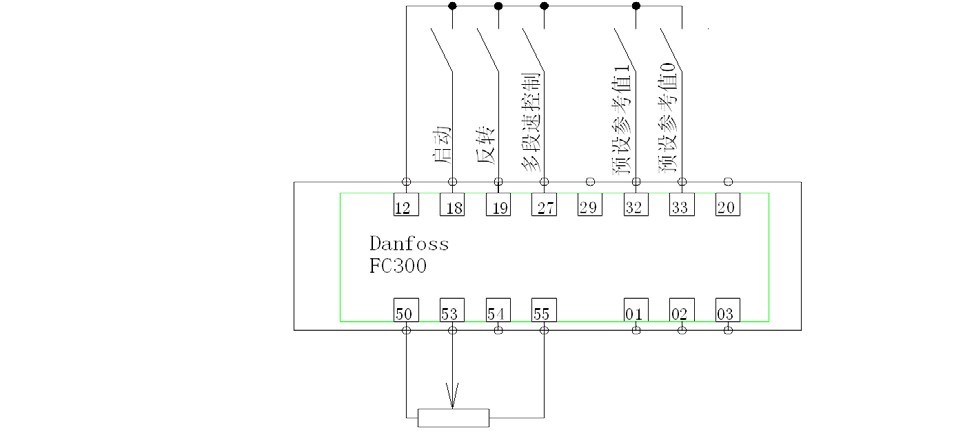
3-04 |
參考值功能 | [0] 總和 | [1] 外部/預置 |
|
5-12 |
端子 27 數字輸入 | [2] 慣性停車 | [15] 預置參考值開 |
|
5-14 |
端子 32 數字輸入 | [0] 無功能 | [17] 預置參考值位 Bit1 |
|
5-15 |
端子 33 數字輸入 | [0] 無功能 | [16] 預置參考值位 Bit0 |
|
P310.0 |
預置參考值 |
[0] 0.00 % |
[0] 一段速設定值 |
|
P310.1 |
預置參考值 |
[1] 0.00 % |
[1] 二段速設定值 |
|
P310.2 |
預置參考值 |
[2] 0.00 % |
[2] 三段速設定值 |
|
P310.3 |
預置參考值 |
[3] 0.00 % |
[3] 四段速設定值 |