深夜福利导航,深夜福利免费,深夜AV福利,成人深夜福利APP



台達MS300變頻器接線圖和端子接線說明

時間:2019-08-07    作者:深夜福利导航變頻    點擊:
 

成人深夜福利APPMS300是台達近年推出的精巧標準型矢量控製型變頻器,兼具小型化、高功能、高信賴度、安裝簡便等優勢,優化的結構與免鎖螺絲端子設計提供便利的檢修流程,節省安裝與維修時間。友善的使用接口,透過用途選擇,便能輕易的完成參數設定。內置USB功能,更可快速的參數複製,提高生產效率。
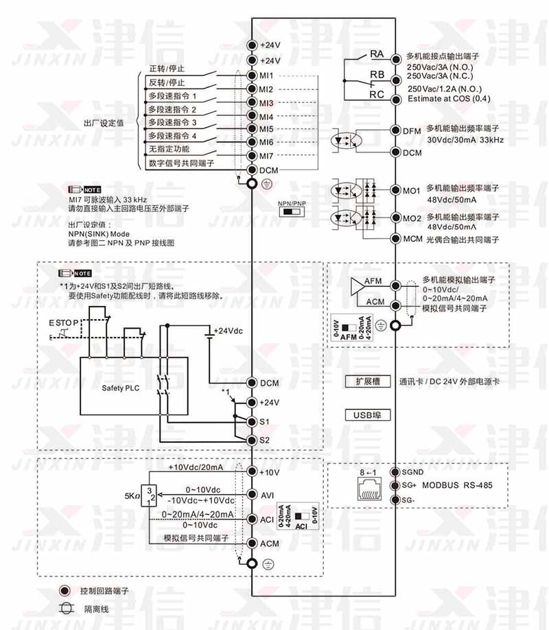
一、        台達MS300變頻器接線圖
電源輸入接線圖
端子接線圖

NPN和PNP模式切換端子圖
係統配線圖
 
二、           台達MS300變頻器接線說明
打開變頻器上蓋後,露出各接線端子排,檢查各主回路電路及控製回路電路之端子是否標示清楚及接線時注意以下各項說明,幹萬不要接錯線:
  1. 若要接線時,首先應關掉變頻器電源,因為內部回路直流部分濾波電容器完
  2. 成放電需要一定時間。為避免危險,客戶可使用直流電壓表作測試。確認 電壓值小於 25 Vdc 安全電壓值後,才能開始進行配線。若使用者未讓變頻 器充分時間放電,內部會有殘留電壓,此時進行配線會造成電路短路並發 生火花現象,所以請用戶最好在無電壓條件下進行作業以確保自身安全。
  3. 配線作業應由專業人員進行。確認電源斷開(OFF)後才可作業,否則可能 發生感電事故。
  4. 變頻器的主回路電源端子 R/L1、S/L2、T/L3 是輸入電源端。如果將電源錯 誤連接於真E端子,則將損壞變頻器。另外應確認電源應在銘牌標示的允許
  5. 電壓 / 電流範圍內(參考 1-1 產晶外觀之銘牌說明)。
  6. 接地端子必須良好接地,一方麵可以防止雷擊或感電事故,另外能降低躁聲 幹擾。
  7. 各連接端子與導線間的螺絲請確實鎖緊,以防震動鬆脫產生火花。
 
配線時,配線線徑規格之選定,請依照電工法規之規定施行配線,以策安全。完成電路配線後,請再次檢查以下幾點:
  1. 所有連接是否都正確無誤?
  2. 有無遺漏接線?
  3. 各端子和連接線之間是否有短路或對地短路? 
 
 
返回列表
 網站地圖深夜APP直播间直播免费看 深夜免费视频 深夜福利影院 蜜桃视频下载 九九视频在线观看蜜桃 草莓APP污在线观看 香蕉视频首页 硬汉视频下载官网 美女黄色APP 91免费版视频