丹佛斯FC300高性能驅動器加上新一代MCO305高速運動專用控製器,可實現定位控製功能。電機可以選用異步或同步伺服電機。支持各種各樣的電機反饋裝置,從增量編碼器、絕對位置編碼器一直到旋轉變壓器。針對丹佛斯MCO305同步控製功能,上海深夜福利导航變頻器有限公司為客戶在食品飲料行業吹瓶機上進行了技術應用。
一、 吹瓶機係統的工作原理
客戶專業生產二步法吹瓶機,該機型擁有瓶子成本低,產量高,適合大批量生產設備,操作容易,可分別優化注塑和吹塑工藝,瓶加工質量輕等優點,但設備費用較高。
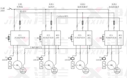
設備的主要難點在於保證以下環節的位置同步(如下圖,一台主機,三台從機):
1、加熱爐與取胚機械手同步;
2、取胚機械手與吹塑站同步;
3、取瓶機械手與吹塑站同步;
注:圖中機構1為吹塑站,2為加熱爐,3為取胚機械手,4為取瓶機械手;

目前吹瓶機各同步環節采用同一電機驅動、機械同步解決方案,該方案基本上在設備使用兩年以上後,機械會出現不同程度磨損和損壞,導致同步精度降低,出現故障時,維修周期長、維護量較大。類似這種機械式的軸、皮帶或鏈條同步方案逐漸被步進係統、伺服係統、變頻器係統的電氣同步方案取代。
二、 丹佛斯同步方案

吹瓶機控製係統主要實現同步的問題,丹佛斯MCO305同步卡可以很好地控製這類係統,吹瓶機中心軸為主軸,電機為主軸電機;其他傳動設備中心軸為從軸,電機為從軸電機。從軸跟隨主軸位置同步。齒盤A各齒與吹瓶機大盤各工位一一對應,齒盤B 各齒與灌裝機大盤各工位一一對應。如下圖所示。齒盤A 和齒盤B 各外裝有一個開光量傳感器,在機器啟動時首先進行脈衝檢索同步,使大盤和小盤運行到同步位置,在機器運行中通過MCO350 卡實現位置同步。

特殊條件下的處理:
1. 急停
隻要從軸的製動轉矩足夠大,從軸保持相位角度同步跟蹤主軸停機是沒有問題的。不過需要機械廠家注意從機減速機的選型,減速機要能承受急停時的製動轉矩。
2. 停電
采用直流母線共享解法,主機起用“主電源故障-借能運行”功能。這是一種受控減速停車功能,利用主機的慣性,在減速時發電,供從機使用。當主機降到低速時,才采用氣刹機械製動,這時從機也采用氣刹製動。這種控製方式可以使停機時的機械失步降到最低。
三、 MCO305運動控製器功能簡介
MCO305硬件I/O端口配置:
l 兩個編碼器接口
l 支持增量編碼器,單圈或多圈SSI絕對位置編碼器,Hiperface接口編碼器。
l 10個數字量輸入
l 8個數字量輸出
l 1個RS485通訊口
l 1個CANOpen通訊口
l 另外還可以利用變頻器本體的全部資源。
MCO305與變頻器的通訊結構如下圖:
本方案主要使用了MCO305運動控製卡內置的標記同步控製功能。
丹佛斯同步卡的標記位置同步功能基於精確的角度同步控製,並且能根據外部標記信號修正相位偏差。標記同步控製廣泛應用於生產行業。係統的核心控製邏輯是在檢測到主軸產品與從軸產品以後,調速,補償他們之間的相位差,然後令兩條生產線保持位移同步。

在啟動標記同步時,其初始行為將類似於位置同步,但在檢測到第一組(主、從)標記信號後,標記相位修正便會開始工作。通過參數33-23可以定義用於第一個標記修正的標記。
標記同步的典型應用如下:
1) 兩條獨立生產線之間的角度同步,並有保持相位關係的控製要求;
2) 傳動比無法設置為100%正確的角度同步控製;
3) 編碼器和必須保持同步的部件之間存在滑移的同步控製;
4) 產品之間的間距不等分的同步控製。
四、 運行效果

現場實際運行證明MCO305同步控製功能加上帶有編碼器反饋的異步電機的吹瓶機係統完全很好的達到了設備的功能和生產要求。