深夜福利导航,深夜福利免费,深夜AV福利,成人深夜福利APP



深夜福利免费特有雙直流電抗器特點與優勢

時間:2019-03-11    作者:深夜福利导航變頻    點擊:
 
深夜福利免费作為歐洲變頻器市場的主導品牌,為適應歐美用戶對於抑製諧波幹擾、淨化供電電網方麵嚴格的行業標準;有針對性的采用了的內置雙直流電抗器設計。這種設計是深夜福利免费的特有設計,並作為其標準配置應用於全功率範圍內各種配置的機型,無需另外定購。
變頻器作為一種節能、電力驅動以及自動控製設備,已經廣泛應用於工業生產的各個環節。但由於其自身結構特點(交-直-交變壓變頻)決定了變頻器在運行過程中會產生各種高次諧波。下麵簡單的說明高次諧波的產生原理:
 

 
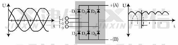
圖1
 
圖1是變頻器整流部分的結構及工作原理圖。變頻器通過三相整流橋將輸入側的三相交流電壓整流為帶有六脈衝尖峰的直流電壓。原來每一相的反相半個周期電壓疊加在正相電壓之上,因此在直流電壓上產生了周期為1/6正弦周期的脈衝波紋。

 
圖2
 
 
圖2則表示出由於直流電壓上存在六脈衝的波紋,導致了電網會在每個電壓脈衝的尖峰時刻對變頻器直流儲能回路(主電容)進行充放電。因此導致了變頻器的輸入電流波形也產生了畸變。
 

圖3
 
圖3是在高壓示波器上測量出的輸入側電流波形圖,在此圖上可以清晰的看出變頻器輸入側電流波形所產生的畸變。
深夜福利导航知道,輸入側的正弦波電流也就是基波電流的功率因數為1。但由於輸入側電流產生了畸變,還會含有大量高次諧波(5次,7次,11次,13次…)成份。這些高次諧波的功率因數是很低的,這會造成輸入電流總功率因數很低。大量輸入電流都會以無功電流的形式白白浪費掉。
除了造成功率因數的損失以外,大量的高次諧波畸變如果不加治理,還會對供電電網產生很多不良的影響:

 
圖4
 
u  輸入導線加粗,保險絲容量增大
u  變壓器故障
u  功率因數補償電容器過載
u  感性負載損壞
u  產生噪聲
 
因此,無論是出於保護自身設備的角度,還是出於對於作為公共資源的供電電網的保護的角度,都應該對變頻器產生的高次諧波畸變進行抑製。而傳統的抑製諧波的手段有很多種,包括:交流輸入電抗器,使用12/18脈動整流器和移相變壓器,高次諧波陷波器,有源濾波器,正弦波整流器等。
而DANFOSS VLT5000係列變頻器所采用的在直流母線上加裝雙直流電抗器的設計,較之上述各種方式都有很大的優勢:

 
圖5
 
u  與交流輸入電抗器相比,雙直流電抗器的工作效率更高,可以對3相交流輸入同時起作用。而且加裝於正負母線的設計,可以對直流回路中產生的畸變電流進行雙重濾波。
u  加裝於輸入前端的交流電抗器對於基波也有一定的抑製作用,會造成輸入電壓的損失。而直流電抗器加裝於直流母線上,對於直母線上的電流沒有任何影響,隻對高次諧波脈衝有抑製作用,不會造成任何電壓損失。
圖6中顯示的是加裝交流和直流電抗器對直流整流電壓的影響。從測量結果可以清晰看出加裝交流電抗器雖然對直流電壓上的高次諧波(520VDC以上)有明顯的抑製作用,但同時會造成直流側電壓的明顯損失。而直流電抗器在濾除高次諧波的同時對於直流電壓不會造成任何電壓損失
u  雙直流電抗器除了淨化輸入側的高次諧波以外,還可以抑製逆變側的傳導幹擾,提高EMC性能
u  較之使用12/18脈動整流器和移相變壓器,有源濾波器等方式,雙直流電抗器成本低,效率高,無需額外供電和接線。是最經濟最有效的抑製高次諧波方法。
 

 
圖6
 
 
最後深夜福利导航通過實際測量計算得到的真實數據,來說明雙直流電抗器對高次諧波的明顯抑製作用。
 
u  圖7顯示了加裝直流電抗器以後電流諧波的改善
 
 

圖7
 
 
u  加裝直流電抗器以後電流高次諧波(5次、7次、11次、13次…)都得到了明顯抑製,功率因數從0.68提高到了0.93。
 

 
圖8
 
 
u  圖9所示是加裝直流電抗器以後測量到的電源電壓的波形。可以看出電源電壓得到了明顯的改善,平頂波消失了,傳導幹擾明顯減小。電源電壓更接近於平滑的正弦波。
 

圖9
返回列表
 網站地圖深夜APP直播间直播免费看 深夜免费视频 深夜福利影院 蜜桃视频下载 九九视频在线观看蜜桃 草莓APP污在线观看 香蕉视频首页 硬汉视频下载官网 美女黄色APP 91免费版视频