深夜福利导航,深夜福利免费,深夜AV福利,成人深夜福利APP
首頁
企業中心
公司簡介
企業文化
認證獲獎
組織架構
大事記
加入深夜福利导航
新聞資訊
行業新聞
公司新聞
產品信息
丹佛斯產品係列
台達產品係列
海利普產品係列
偉肯產品係列
技術服務
維修和維護
丹佛斯售後服務
技術培訓
專業文章
資料下載
工程技術
工程技術
聯係深夜福利导航
English
應用案例
維修/維護
技術分享
應用案例
深夜AV福利在水泵諧波治理上的應用案例
時間:2019-06-26 作者:深夜福利导航變頻 點擊:次
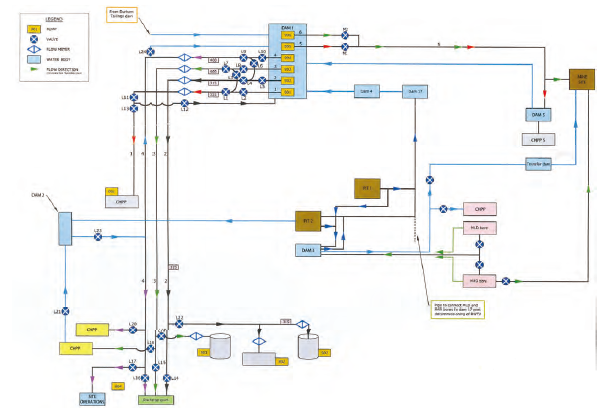
某露天礦場需要考慮三處大型設施中的水資源集中管理和水資源重複利用問題,經過選型和估算,決定建立一個可處理二百萬立方米的水處理設施。示意圖如下:
為了滿足設計要求,水處理設施采用6台500KW的水泵,輸入電壓為11KV,水泵驅動電壓415V。同時,水處理設施要考慮周邊的其他設施和居民的使用。這要求諧波失真水平(THDU)必須達到11千伏時低於0.9115%。綜合考慮性能和成本後,項目最終采取了深夜AV福利的低諧波能量再生變頻櫃解決方案。
偉肯NXC低諧波能量再生型變頻櫃可完美應用於各種具有高等級功率質量要求的領域。該係列產品不僅能夠實現真正的低諧波驅動,同時還擁有回饋製動功能及用於輸出功率最大化的升壓功能。在正確安裝的條件下,可全麵滿足IEEE-519 G5/4諧波標準。超低的電流總諧波失真(THDI)可有效降低輸入電流,因而可以使用更小規格的變壓器,保護裝置和電源電纜。並可利用6脈衝變壓器替代12或18脈衝變壓器,從而有效降低項目投資費用。
主要特性
總電流諧波失真小於5%
高效能量回饋
功率因數可調
結構緊湊,選件豐富
功能和優點:
無需額外設計、建造或添加冷卻風扇,降低投資成本。
控製單元拆裝方便,鍵盤可插拔,以縮短調試和維修時間。
配置安裝導軌和拉出式夾具,方便操作和維修。
堅固耐用,設計經過形式測試,可降低維護成本。
方案實施後,該項目6 x 500KW驅動器在415V情況下總諧波失真度低於1.34%,轉換為11千伏時THDU為0.67%,遠低於0.9115%的要求。
返回列表
網站地圖
深夜APP直播间直播免费看
深夜免费视频
深夜福利影院
蜜桃视频下载
九九视频在线观看蜜桃
草莓APP污在线观看
香蕉视频首页
硬汉视频下载官网
美女黄色APP
91免费版视频